Details of wheel stop curb in this drawing file. Download the Autocad DWG drawing file.
Description
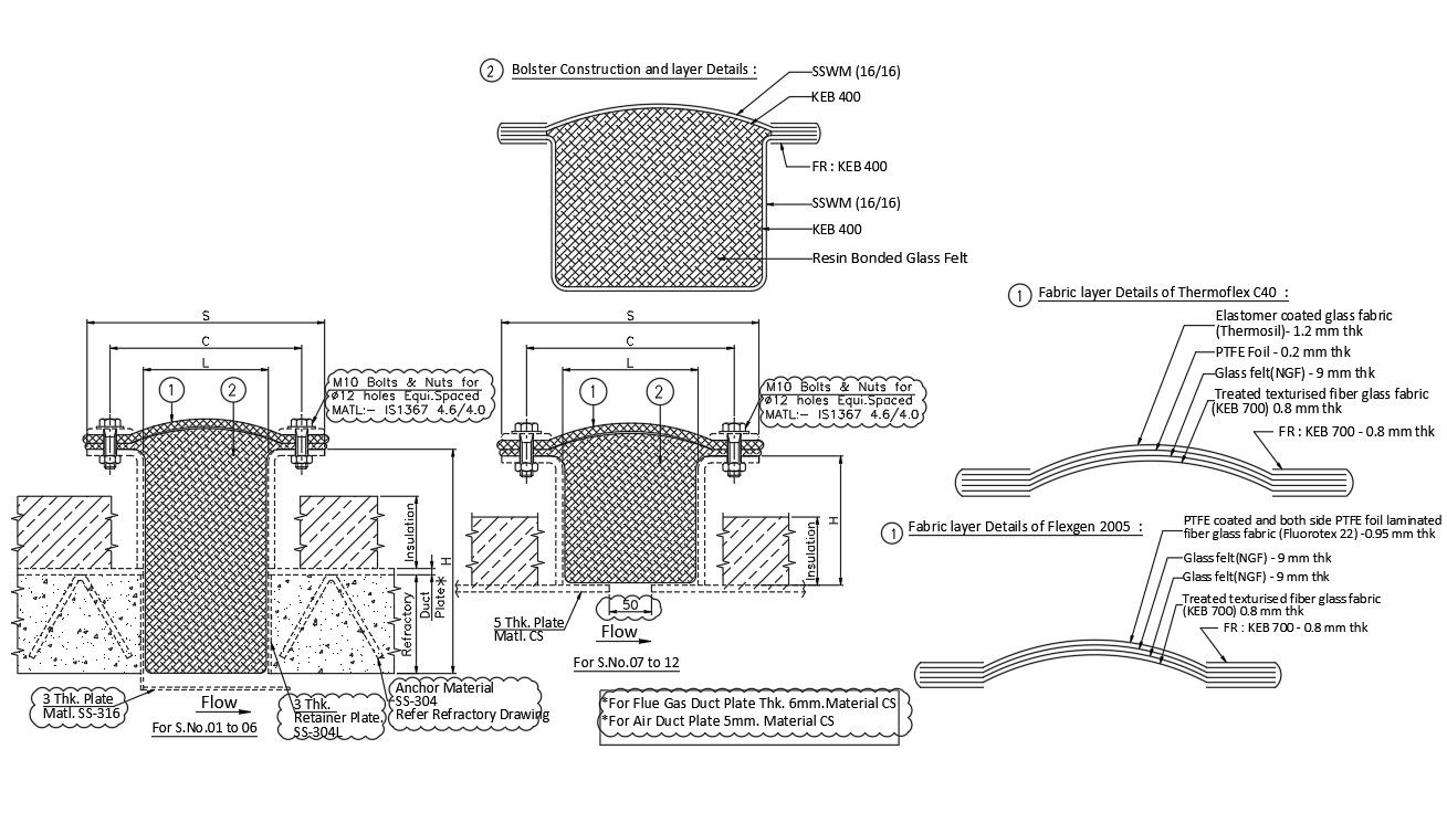
Bolster construction and layer detail given in this cad file. The detail on structure design. In this drawing you will have construction detail .als you will have naming and dimensions detailed. this file can be used for architecture and working drawing. Download this 2d AutoCAD drawing file.
File Type:
DWG
File Size:
198 KB
Category::
Construction
Sub Category::
Construction Detail Drawings
type:
Gold
Uploaded by:
