Electrical Circuit System CAD Drawing DWG File
Description
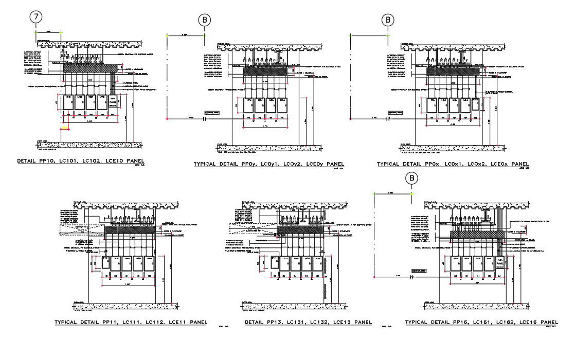
The electrical circuit system CAD drawing that shows wireway 250X100mm for electrical system , thick ceiling frame 40mm. detail sdpx panel for electrical room and detail section for basement 2 floor for in wire way 100x100mm. also has detail of PP10, LC101, LC102, LCE10 panel design and fire resistance cable from breathing air panel. Thank you for downloading electrical AutoCAD drawing DWG file and other CAD program files from our cadbull website.
Uploaded by:

