The pile cap detail. Download cad drawing file | CADBULL
Description
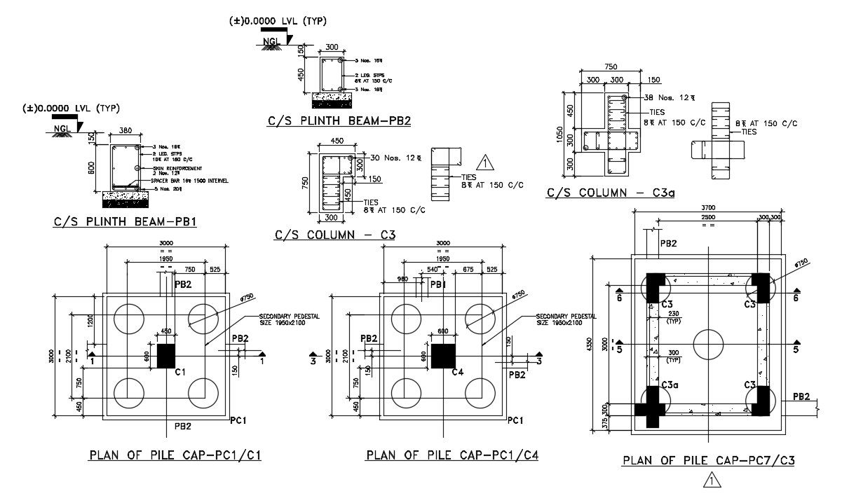
The pile cap detail stated in this Autocad drawing file. column detail of plinth beam with sand filling and PCC the layer with dimensions and material specification detail is given in it. this can be used by architects and engineers. Download this 2d Autocad drawing file.
File Type:
DWG
File Size:
32 KB
Category::
Construction
Sub Category::
Concrete And Reinforced Concrete Details
type:
Gold
Uploaded by:

