Gate Valve In Plant Drawing Download 2d AutoCAD Drawing file.
Description
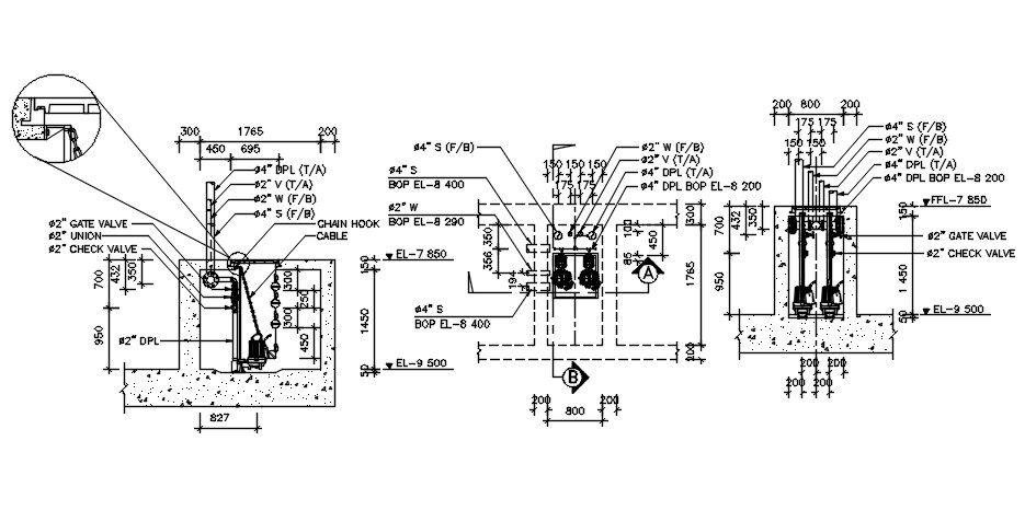
The industrial factory boiler plant CAD drawing which consist main hook cable, main gate valve, check valve, water meter check valve, and mixer gate valve detail. Thank you for downloading the AutoCAD file and other CAD program from our website.
Uploaded by:

