Pump Room Industrial Plant AutoCAD Drawing DWG File
Description
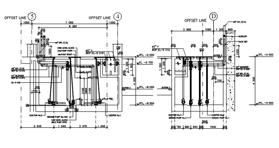
the industrial factory boiler plan CAD drawing shows pump room which consist main hook cable, main gate valve, check valve, water meter check valve, and mixer gate valve detail. Thank you for downloading the AutoCAD file and other CAD program from our website.
Uploaded by:

