Column Base Plate Plan And Section Drawing DWG File
Description
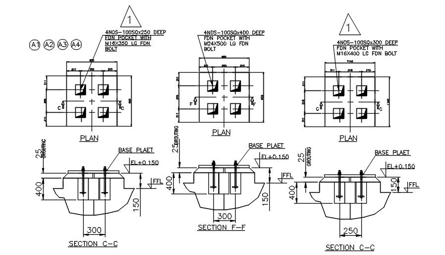
The Column base plate plan and section drawing that shows number of anchor bolts are significantly important for reliable moment capacity of connections also has bolts are vital for small-size steel structures. Thank you for downloading the AutoCAD file and other CAD program from our website.
Uploaded by:

