MS Steel Column Beam Section Drawing DWG File
Description
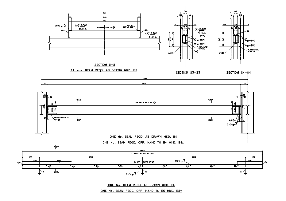
the mild stone steel construction structure building column beam joint section CAD drawing with dimension detail in all wildings are 8mm continuous fillet unless otherwise specified and plates are to be positioned with tack welding. Thank you for downloading the AutoCAD file and other CAD program from our website.
Uploaded by:

