Feed Launder Flange Water Details From GCP To Flash Mixer Drawing DWG File
Description
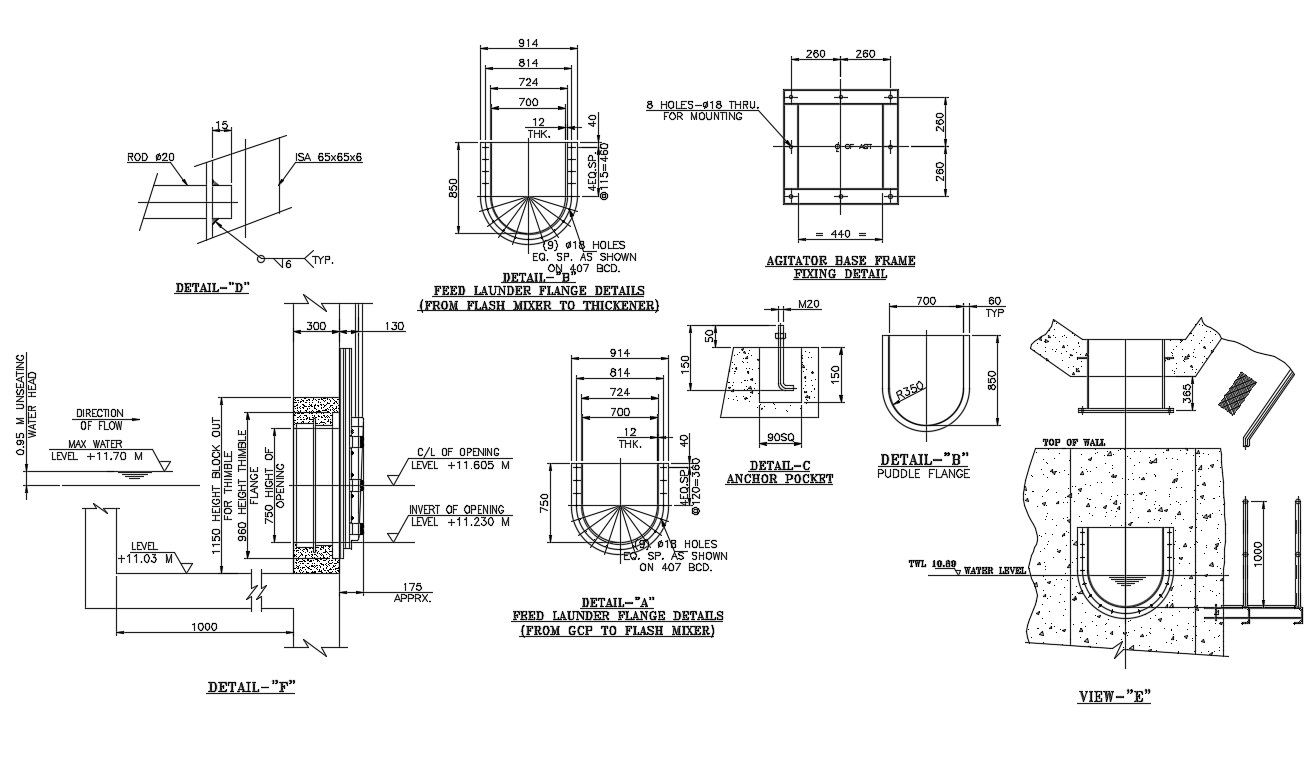
the AutoCAD drawing of feed launder flange detail which consist Invert of opening, direction of flow, maximum water level, 1150 height block out for thimble, unseating water head, puddle flange and anchor pocket details are given clearly in this drawing file. Thank you for downloading the AutoCAD file and other CAD program files from our website.
Uploaded by:

