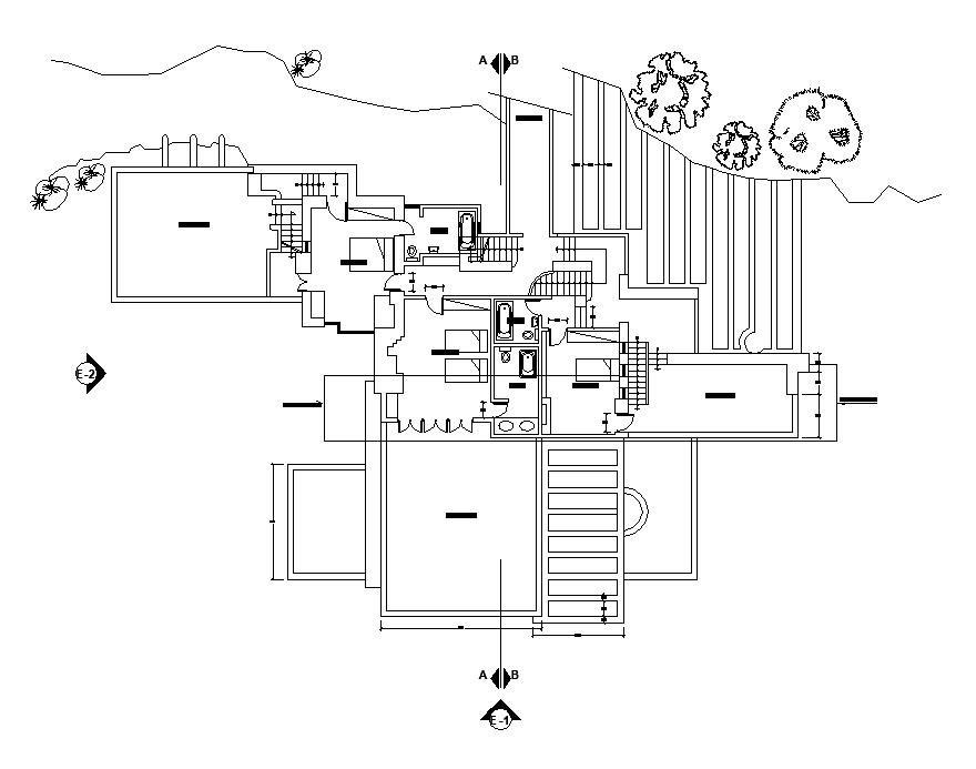
Waterfall House First Floor Layout Plan AutoCAD Drawing Download DWG File
Description
the waterfall house first floor plan CAD drawing, this plan has been wright designed by famous architect Frank Lloyd in 1935 and the hillside directly above the main house and linked by a covered walkway. Thank you for downloading the AutoCAD file and other CAD program from our website.
Uploaded by:

