Foundation Beam CAD Drawing Download Free DWG File
Description
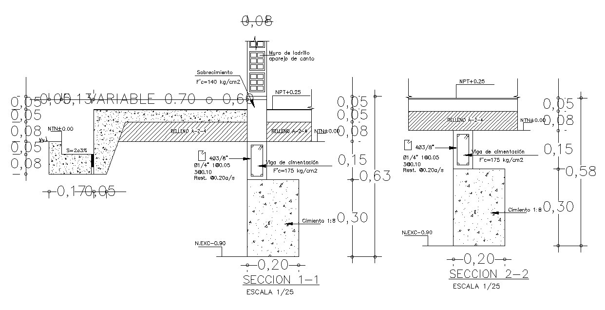
RCC Construction CAD drawing shows foundation and beam section view which consist 0.20X0.30 size of column footing, and the required concrete column reinforcement are still lacking detail dwg file. this can be used by architects and engineers. Thank you for downloading the Autocad file and other CAD program files from our website.
Uploaded by:

