Toilet Grease Trap Drawing Free Download DWG File
Description
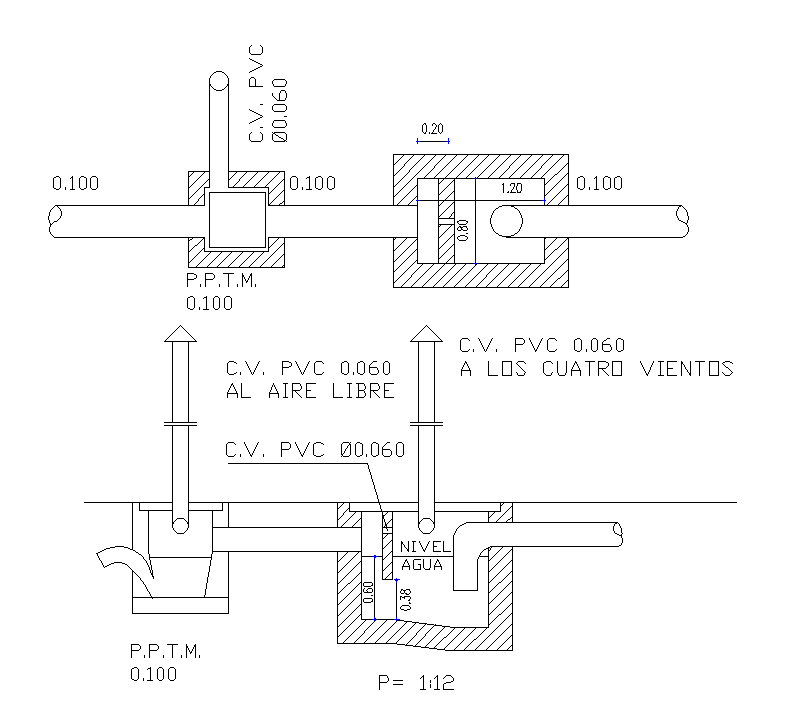
The grease trap interceptors shall be provided by toilet, indoor grease separation device, usually installed underneath a sink and designed for small volume water flows. also has plumbing and drainage pipe line detail dwg file. Thank you for downloading the Autocad file and other CAD program files from our website.
File Type:
DWG
File Size:
872 KB
Category::
Dwg Cad Blocks
Sub Category::
Autocad Plumbing Fixture Blocks
type:
Free
Uploaded by:

