1400 SQFT House Plan AutoCAD Drawing Download DWG File
Description
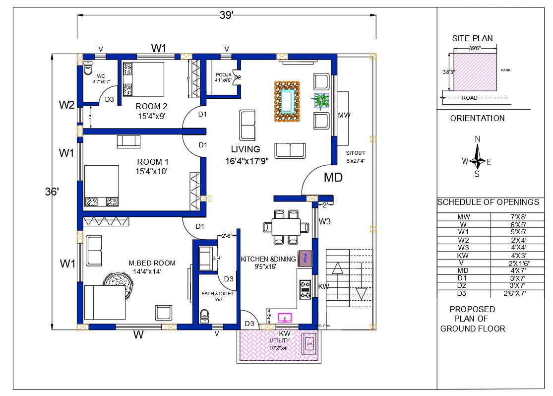
The architecture residence house 39'X36'plot size single storey house layout plan CAD drawing shows 3 bedrooms, living room, prayer room, kitchen with dining area, and out side staircase with door window marking and all furniture detail in dwg file. Thank you for downloading the AutoCAD drawing file and other CAD program files from our website.
Uploaded by:

