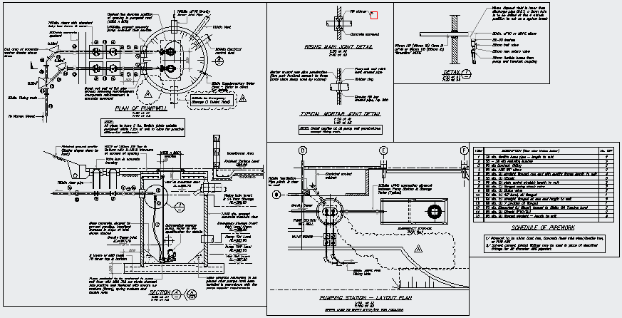
Detail drawing of pumping station design drawing
Description
here the Detail drawing of pumping station design drawing with plan design pumping station layout design and section and detail drawing mentioned all detail in this auto cad file.
File Type:
DWG
File Size:
368 KB
Category::
Mechanical and Machinery
Sub Category::
Other Cad Blocks
type:
Gold
Uploaded by:
zalak
prajapati

