Steel structure of roofing details
Description
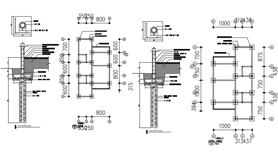
Here Steel structure of roofing details in this drawing decking, which provides a continuous support for the insulation and surface, can be made of timber boards, plywood, chipboard, metal or asbestos-cement decking units or concrete slabs. It incorporates joists, trusses, and rafters. Together, these three types of beams make up a framework that gives the roof its shape. For more details of Steel structure of roofing details
download this file.
File Type:
DWG
File Size:
465 KB
Category::
Structure
Sub Category::
Section Plan CAD Blocks & DWG Drawing Models
type:
Gold
Uploaded by:
zalak
prajapati
