Electric utility network drawing with detailing
Description
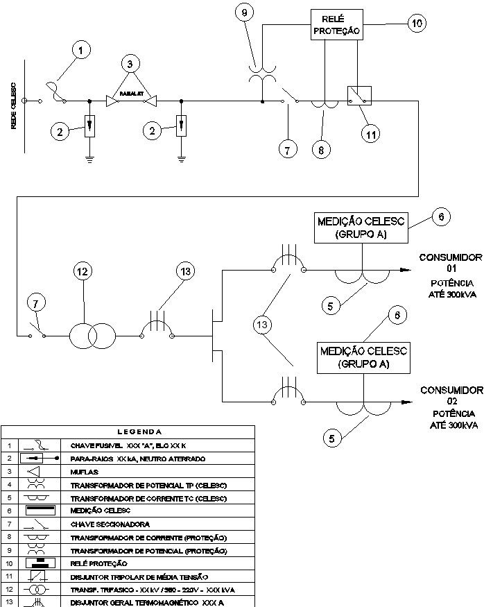
This architectural drawing is Electric utility network drawing with detailing. In this drawing the power in network is 300kVA. There are also given table of symbol content with their meaning. For more details and information download the DWG file.
File Type:
DWG
File Size:
37 KB
Category::
Electrical
Sub Category::
Electrical Automation Systems
type:
Gold
Uploaded by:
viddhi
chajjed

