Top plan of reinforcement layer.
Description
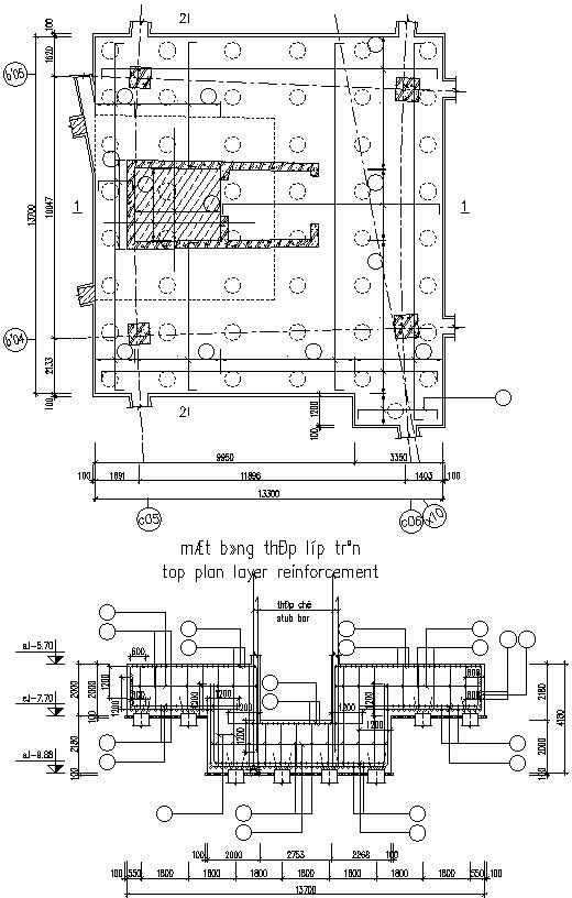
This Architectural Drawing is AutoCAD 2d drawing of Reinforcement layer of Pile Cap. One may observe, top reinforcement consists of rebars placed orthogonally over the columns. These bars are bent as shown in Figure 5b in order to be easily placed during construction and to contribute to the punching shear resistance as well. Structural reinforcement is typically placed in the bottom portion of the slab thickness to increase the slab's load capacity. Most structural slabs-on-ground have both top and bottom layers of reinforcement for controlling crack-widths and increasing load capacities. For more details and information download the drawing file.

Uploaded by:
Eiz
Luna
