Raft foundation stirrup details Autocad file , cad drawing , dwg format
Description
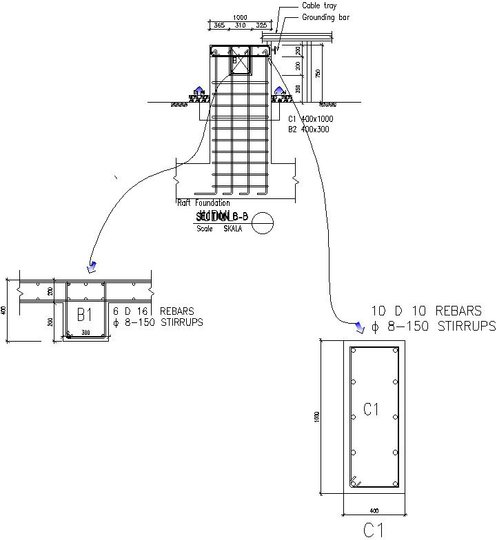
Raft foundation stirrup details including cable tray , grounding bar , horizontal and vertical reber stirrups raft foundation in order to produce adequate design such as minimum depth of 50cm, required excavation depth of approximately 2.5m, and rebar cover of 50mm download Autocad file , cad drawing , dwg format.
File Type:
DWG
File Size:
13.5 MB
Category::
Structure
Sub Category::
Section Plan CAD Blocks & DWG Drawing Models
type:
Gold
Uploaded by:
zalak
prajapati

