Door design with detail
Description
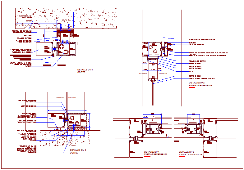
Door design with detail dwg file with view of door with detail of door with dimension of door,frame view of door,exterior and interior view of door in door design.
File Type:
DWG
File Size:
968 KB
Category::
Dwg Cad Blocks
Sub Category::
Windows And Doors Dwg Blocks
type:
Gold

Uploaded by:
Liam
White

