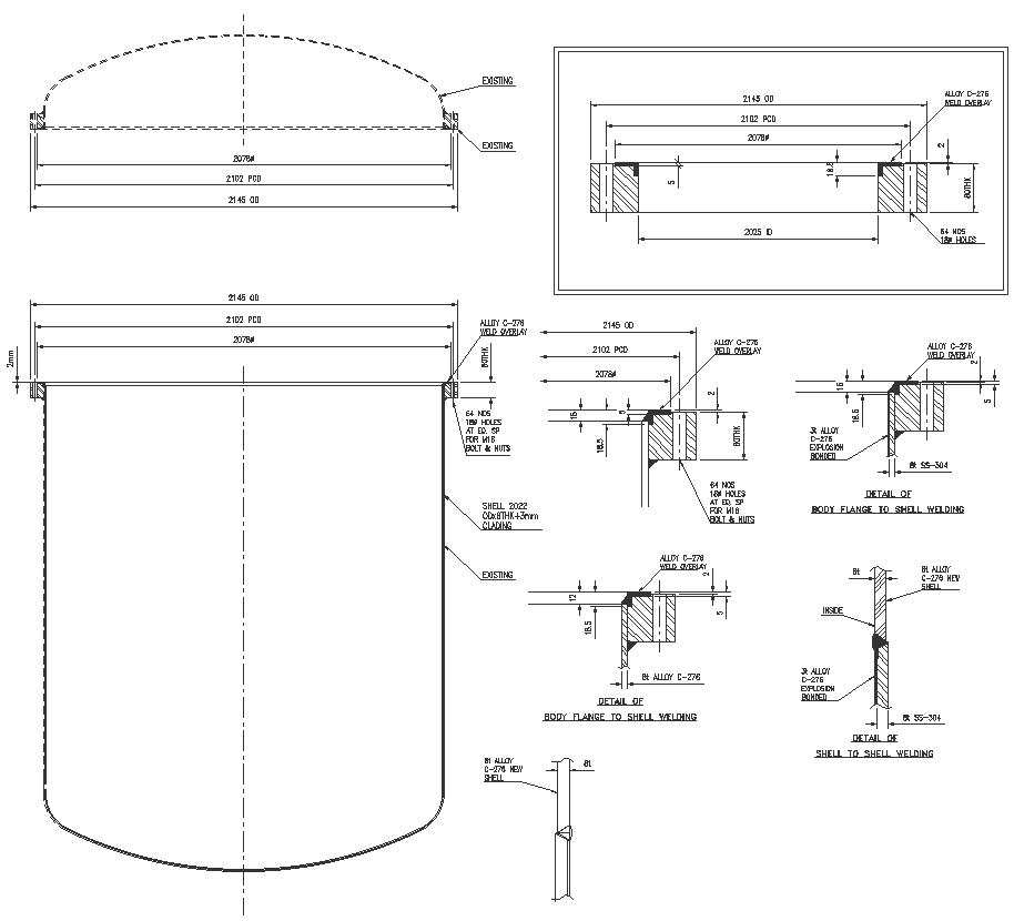
Details of body flange to shell welding dwg autocad drawing.
Description
Our DWG AutoCAD drawing provides comprehensive details for the welding of body flanges to the shell, ensuring precise and efficient assembly in engineering and manufacturing projects. With clear annotations and accurate measurements, this drawing offers engineers and manufacturers the necessary documentation to achieve high-quality welds and secure connections between body flanges and shells.Featuring detailed design specifications, our drawing facilitates seamless integration into CAD projects, allowing for efficient production planning and execution. Whether you're involved in pressure vessel fabrication, piping systems, or industrial equipment manufacturing, our AutoCAD drawing serves as a valuable resource for ensuring weld quality and structural integrity.Download our DWG AutoCAD drawing today to access detailed welding designs for body flanges to shells, and streamline your manufacturing processes with precision and efficiency.
File Type:
DWG
File Size:
1.1 MB
Category::
Mechanical and Machinery
Sub Category::
Factory Machinery
type:
Gold

Uploaded by:
Liam
White

