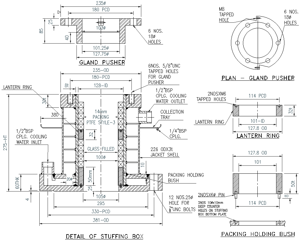
Details of stuffing box with gland pusher details dwg autocad drawing .
Description
This AutoCAD drawing provides detailed specifications for a stuffing box, including gland pusher details. The DWG file contains precise 2D representations that engineers and designers can utilize for construction and manufacturing purposes. It offers comprehensive dimensions and labeling, ensuring accurate implementation in projects requiring mechanical seals and fittings.The stuffing box design is meticulously illustrated, highlighting critical components such as the gland and pusher mechanism. This resource is invaluable for professionals seeking precise CAD drawings to integrate into their technical documentation.Download this DWG file to access a wealth of information crucial for engineering and design tasks. It enhances workflow efficiency by providing clear insights into the construction and assembly of stuffing boxes with gland pushers. Utilize this CAD resource to streamline your design processes and ensure quality in your mechanical engineering projects.

Uploaded by:
Liam
White

