Details of eye bolt design with labeling dwg autocad drawing
Description
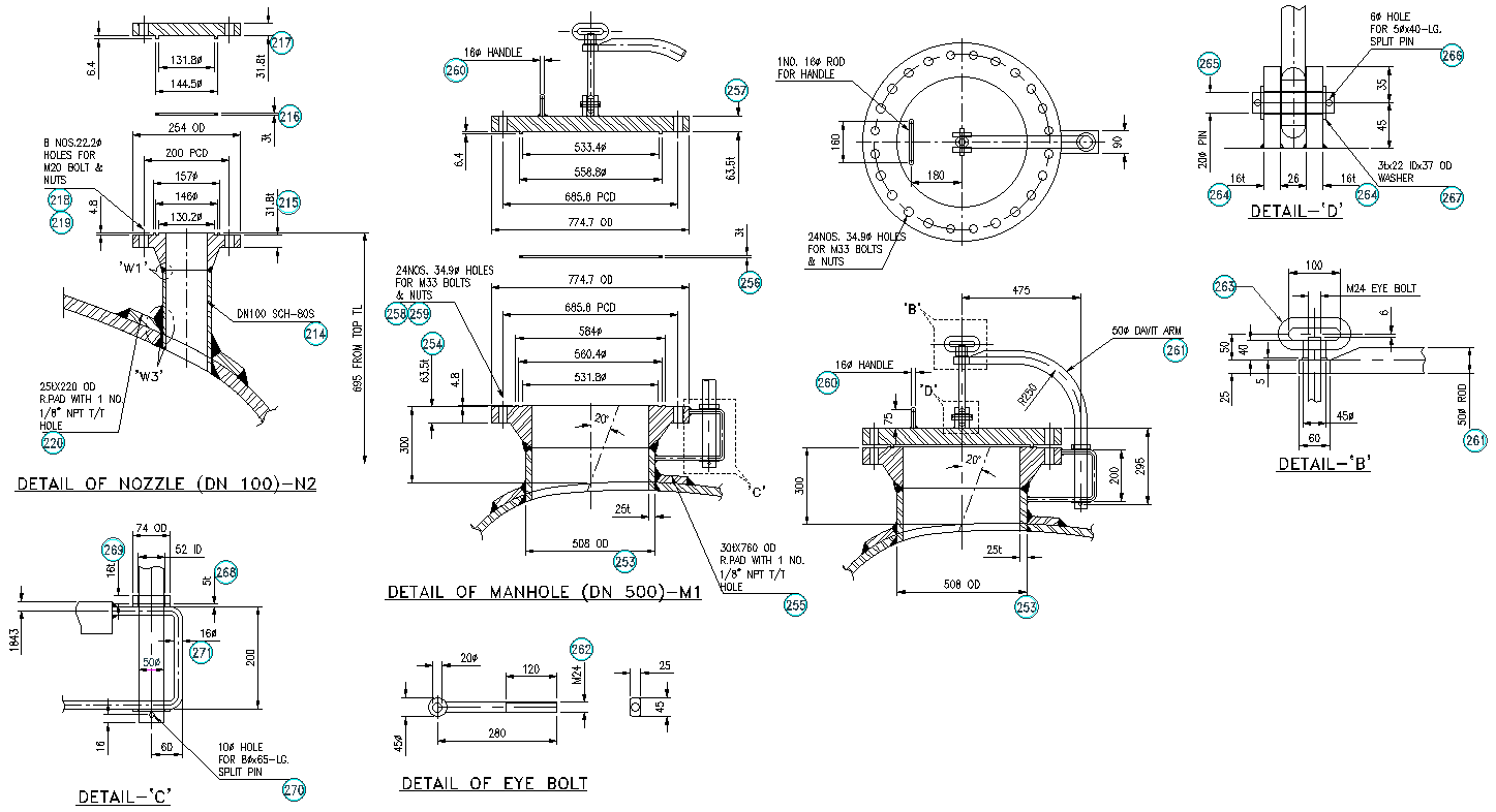
Explore our detailed AutoCAD drawing featuring the design and labeling details of an eye bolt. This CAD file provides precise dimensions and annotations essential for engineers and designers working on mechanical and structural projects. With its comprehensive detailing, including labeling for easy identification, this drawing ensures accuracy in implementation and seamless integration into your designs. Download our 2D DWG file to enhance your project planning and execution, offering clarity and precision for eye bolt installation and use. Whether for industrial machinery, construction, or mechanical systems, this drawing serves as a valuable resource for incorporating eye bolts efficiently. Optimize your engineering processes with our meticulously crafted design, supporting various applications and ensuring reliability in your projects. Download now to streamline your workflow and achieve superior results in your next engineering endeavor.
File Type:
DWG
File Size:
1.2 MB
Category::
Mechanical and Machinery
Sub Category::
Factory Machinery
type:
Gold

Uploaded by:
Liam
White

