Nozzle Scheduling Section Detail DWG AutoCAD file
Description
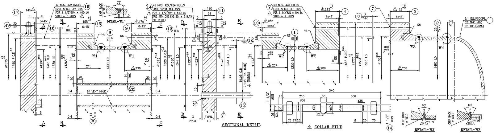
Discover the detailed Nozzle Scheduling Section in this AutoCAD DWG file, meticulously crafted for precision and clarity. This CAD drawing provides comprehensive insights into nozzle placement and specifications, essential for accurate project planning and execution. Accessible in 2D format, the DWG file ensures compatibility with various CAD software, facilitating seamless integration into your design workflow. Explore this resource to enhance your understanding of nozzle configurations, dimensions, and materials, supporting informed decision-making in engineering and construction projects. Optimized for efficiency, this AutoCAD file exemplifies industry standards in technical documentation, offering a valuable tool for architects, engineers, and drafters alike. Download the DWG file today to streamline your design process and leverage detailed nozzle scheduling information at your fingertips.
File Type:
DWG
File Size:
472 KB
Category::
Mechanical and Machinery
Sub Category::
Other Cad Blocks
type:
Gold

Uploaded by:
Eiz
Luna

