3042 Sq Ft Residential House Floor plan AutoCAD DWG Floor Plan Layout

3042 Sq Ft Residential House Floor plan AutoCAD DWG Floor Plan Layout
Profile

Uploaded by:

Neha

mishra

Description

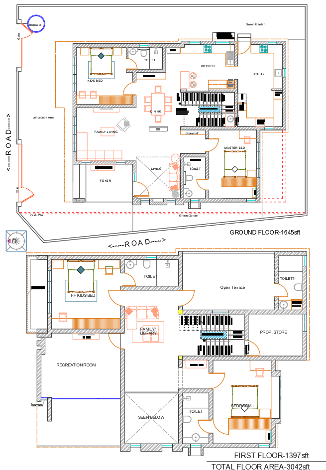
Download a 3042 sq ft residential house AutoCAD DWG plan with ground and first floor layouts, living, kitchen, library, bedrooms, and landscaped area.

Profile

Uploaded by:

Neha

mishra

find Latest

Related Files

WhatsApp Chat