construction detail dwg file
Description
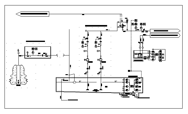
construction detail of water tank for irrigation showing deep well pump blind flange electric reducer disk filter flexible pipe electric motor flow indicator pressure indicator pressure transmitter manual gear valves with all necessary drawings.
Uploaded by:
manveen
kaur

