Indoor swimming pool system diagram design drawing
Description
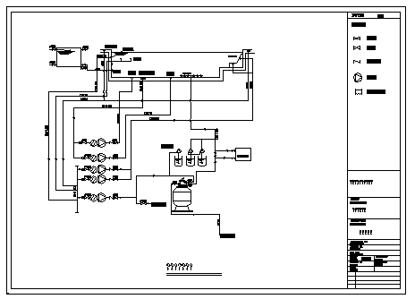
Here the Indoor swimming pool system diagram design drawing with Plan design drawing ,Municipal drainage show, Gas water heater, Dosing pump, general notification and symbol mentioned in this auto cad file.
Uploaded by:
zalak
prajapati

