LOGIN
HOME
CATEGORIES
UPLOAD FILE
PRICING
HOUSE PLAN
ABOUT US
CONTACT US
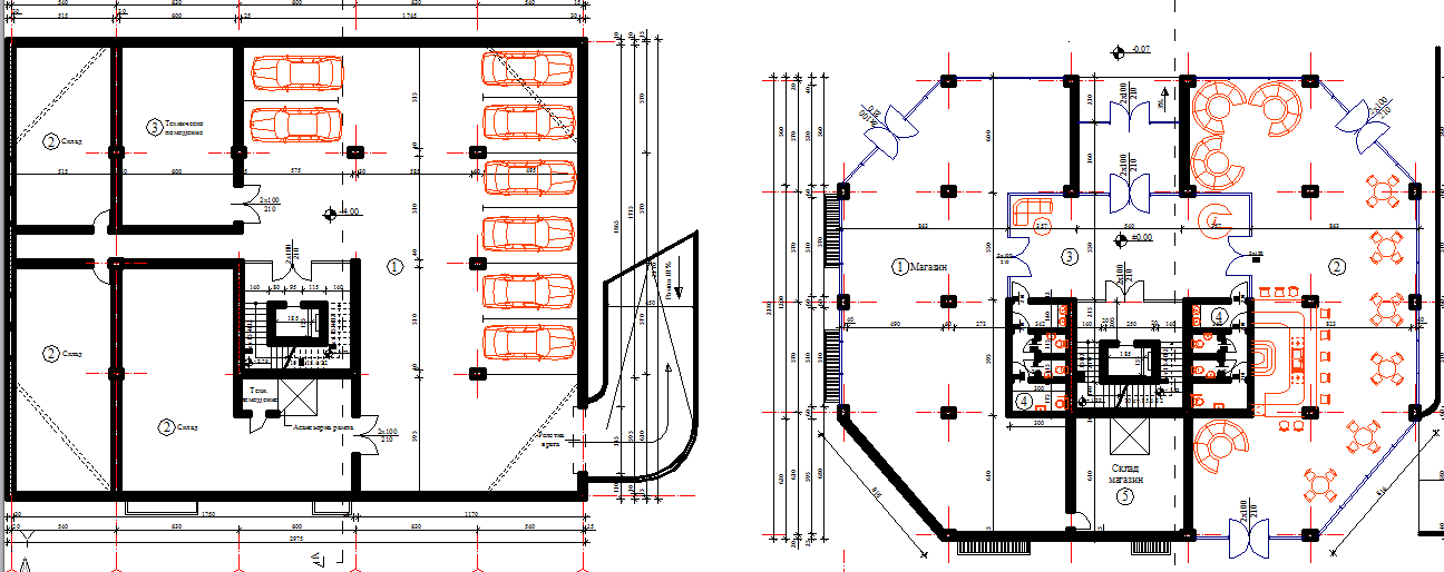
Car parking basement dwg file
Home
Categories
Architecture
Corporate Building
Car parking basement dwg file
Uploaded by:
Dipika
View Profile
View Profile
Description
Car parking basement dwg file,Car parking basement dwg file, this file contains car parking layout plan, spacious parking detailing dwg file
File Type:
DWG
File Size:
8.1 MB
Category::
Architecture
Sub Category::
Corporate Building
type:
Free
Uploaded by:
Dipika
View Profile
Download
Add to libary
find Latest
Related
Files