LOGIN
HOME
CATEGORIES
UPLOAD FILE
PRICING
HOUSE PLAN
ABOUT US
CONTACT US
Commercial plan detail dwg file
Home
Categories
Architecture
Corporate Building
Commercial plan detail dwg file
Uploaded by:
Dhara
View Profile
View Profile
Description
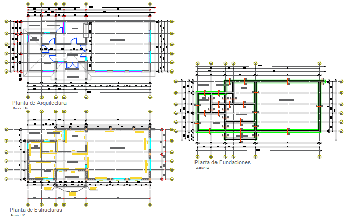
Commercial plan detail dwg file, with naming detail, dimension detail, stair detail, centre line plan detail with numbering detail, etc.
File Type:
DWG
File Size:
335 KB
Category::
Architecture
Sub Category::
Corporate Building
type:
Gold
Uploaded by:
Dhara
View Profile
Download
Add to libary
find Latest
Related
Files