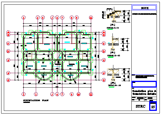
Foundation plan design drawing of residential design drawing
Description
Here the Foundation plan design drawing of residential design drawing with plan design drawing, center line design drawing, footing detail, column detail,connection joinery detail,sleeper wall detail design drawing in this auto cad file.
Uploaded by:
zalak
prajapati

