LOGIN
HOME
CATEGORIES
UPLOAD FILE
PRICING
HOUSE PLAN
ABOUT US
CONTACT US
Beam section plan layout file
Home
Categories
Structure
Beam And Lintel
Beam section plan layout file
Uploaded by:
Dhara
View Profile
View Profile
Description
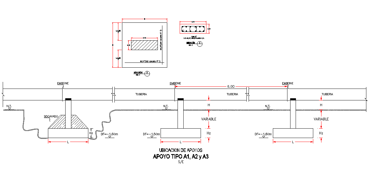
Beam section plan layout file, dimension detail, naming detail, hatching detail, reinfroceemnt detail, bolt nut detail, section line detail, etc.
File Type:
DWG
File Size:
1.1 MB
Category::
Structure
Sub Category::
Beam And Lintel
type:
Gold
Uploaded by:
Dhara
View Profile
Download
Add to libary
find Latest
Related
Files