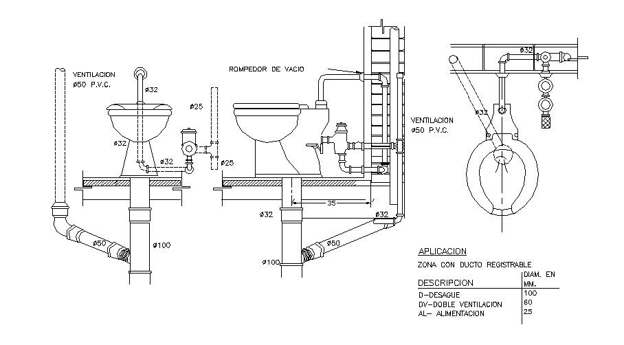
Toilet connection, installation and plumbing details dwg file
Description
Toilet connection, installation and plumbing details that includes a detailed view of Durlock type ceiling lamp Light, Hanging electric the rmotant RHEEM brand cap lts., Porcelain girl soap dish sinkta, Faucet FV monocomando, Electric thermostat hung, Hot water pass-through taps, Cold water pass-through taps and much more of toilet details.
Uploaded by:

