Top roof construction project file detail
Description
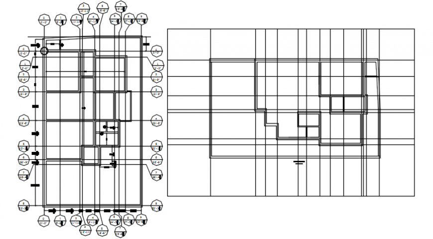
Top roof construction project file detail. here there is top view 2d detail showing depth construction detail file with all texts and details and grill roofing detail
Uploaded by:
Eiz
Luna
Top roof construction project file detail. here there is top view 2d detail showing depth construction detail file with all texts and details and grill roofing detail
Uploaded by:
Luna