Detail of lower slab pressure breaker box type structure dwg file
Description
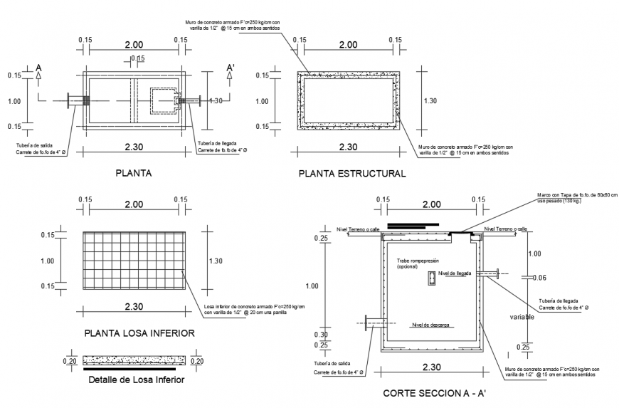
Detail of lower slab pressure breaker box type structure that includes a detailed view of reinforced concrete wall f'c = 250 kg / cm with 1/2 "rod @ 15 cm in both directions, Reinforced concrete wall F'c = 250 kg / cm with 1/2 "rod @ 15 cm in both directions, frame with fo.fo. 60x60 cm Heavy use (130 kg.), reinforced concrete lower slab f'c = 250 kg / cm with 1/2 "rod @ 20 cm a grate, Detail of lower slab and much more of slab details.
Uploaded by:
Eiz
Luna

