2D design of reinforcement and formwork details of the coping in AutoCAD drawing, CAD file, dwg file
Description
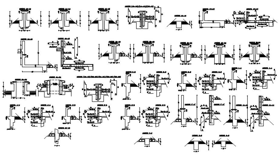
This architectural drawing is 2D design of reinforcement and formwork details of the coping in AutoCAD drawing, CAD file, dwg file. Copings are used to cap the tops of masonry parapets and freestanding walls, preventing rainwater from entering the structure below. They can be formed of profiled metals such as lead, aluminium, zinc, copper, and plastic-coated steel, or they can be made of specific bricks or masonry. For more details and information download the drawing file. Thank you for visiting our website cadbull.com.

Uploaded by:
Eiz
Luna

