Office planning detail dwg file
Description
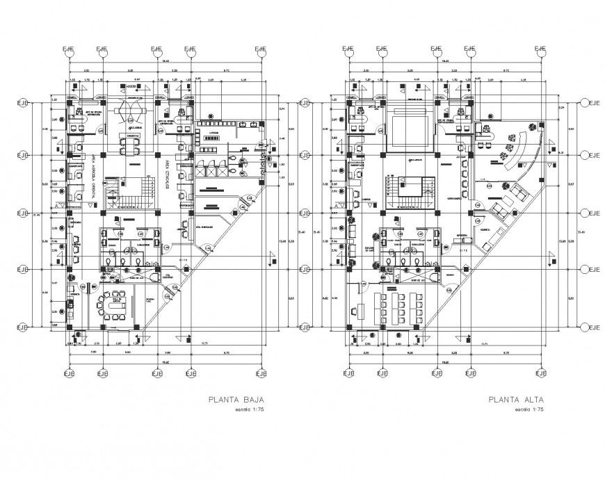
Office planning detail dwg file, centre line plan detail, scale 1:75 detail, dimension detail, naming detail, section line detail, cut out detail, landscaping detail in tree and plant detail, toilet detail in water closed detail, sink detail, door and window numbering detail, etc.
Uploaded by:
Eiz
Luna

