Download Electrical Layout Plan AutoCAD Drawing

Download Electrical Layout Plan AutoCAD Drawing
Profile

Uploaded by:

Jiya

Description
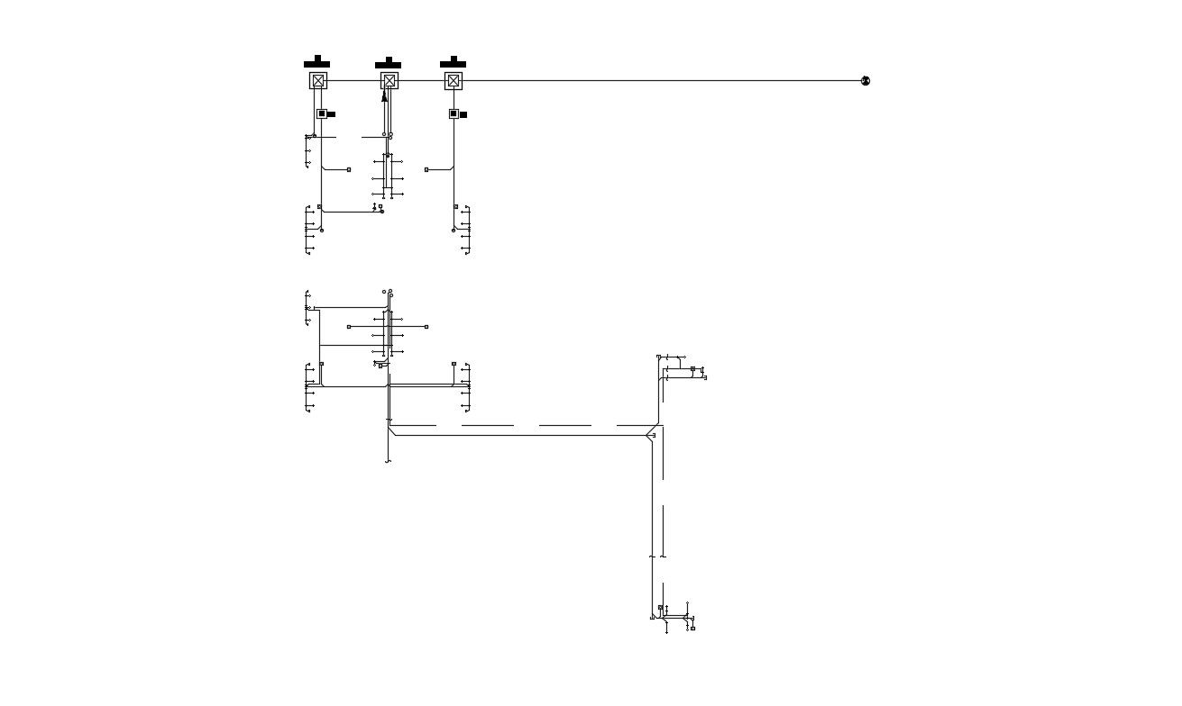
CAD drawing details of electrical wirings design along with electrical unit details of circuits diagram, fuse circuits, transmitter, insulator, and other unit details.
Profile

Uploaded by:

Jiya

find Latest

Related Files

WhatsApp Chat