Retaining Wall Section AutoCAD Drawing Download DWG File
Description
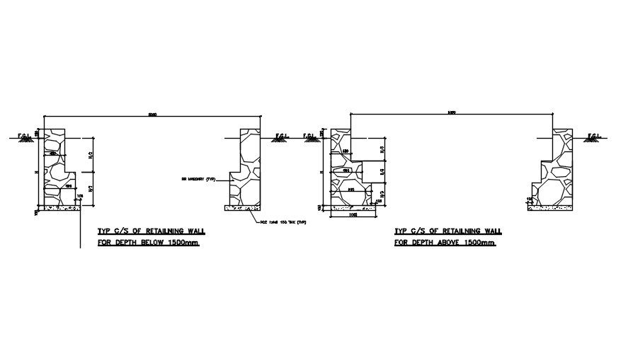
The retailing wall section CAD drawing which consist wall for depth below 1500mm size. this is gravity stone retailing wall section design with all dimension detail. these types of masonry walls meet all building code requirements. Thank you for downloading the AutoCAD file and other CAD program from our website.
File Type:
DWG
File Size:
62 KB
Category::
Construction
Sub Category::
Construction Detail Drawings
type:
Gold
Uploaded by:

