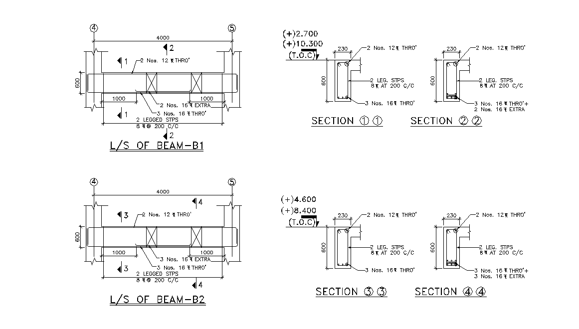
Longitudinal Section detail of Beam. Download AutoCAD DWG file.
Description
Auto plan of sectional layout of a beam and its reinforcement detail is showcased. Material specifications, detailed stirrup dimension, cover requirements, anchorage details are enumerated in this plan. Beam section planned and structural aspects designed as par to standard referrals. Download the AutoCAD DWG file from the website

Uploaded by:
Neha
mishra

