LOGIN
HOME
CATEGORIES
UPLOAD FILE
PRICING
HOUSE PLAN
ABOUT US
CONTACT US
Parking drawer details
Home
Categories
Details
Construction Details
Parking drawer details
Uploaded by:
viddhi
chajjed
View Profile
View Profile
Description
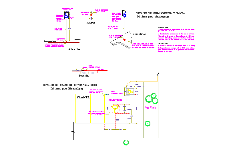
Here is an autocad dwg file for Parking drawer details . There is the ramp plan layout and the detailed supporting elevational drawings for the parker drawer.
File Type:
DWG
File Size:
39 KB
Category::
Details
Sub Category::
Construction Details
type:
Gold
Uploaded by:
viddhi
chajjed
View Profile
Download
Add to libary
find Latest
Related
Files