Front view of cooling tower with detailing
Description
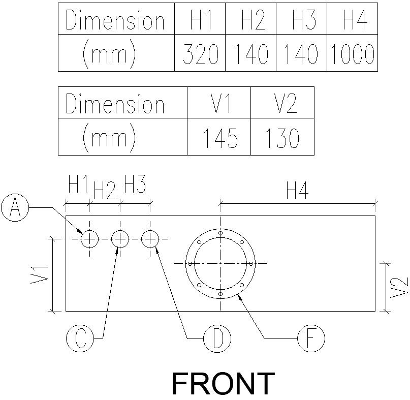
This architectural drawing is front view of cooling tower with detailing. There are three main types of cooling towers that are defined by how water or air pass through them. These types include crossflow, counterflow, and hyperbolic. There are also two varieties classified solely on airflow, known as induced draft and passive draft cooling towers. The purpose of the fan on top of the water cooling tower is to bring in air from the bottom of the tower and move it up and out in the opposite direction of the warm condenser water at the top of the unit. The air will carry the heat through evaporating water from the cooling tower into the atmosphere. For more details and information download the drawing file.
Uploaded by:
viddhi
chajjed

