Reinforcement layer of Pile Cap.
Description
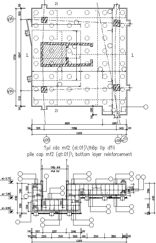
This Architectural Drawing is AutoCAD 2d drawing of Reinforcement layer of Pile Cap. A pile cap is a thick concrete mat that rests on concrete or timber piles that have been driven into soft or unstable ground to provide a suitable stable foundation. Sometimes, reinforcement may be designed at the top of pile caps which serve as compression reinforcement. This type of reinforcement is required in case there is a limitation on the depth of pile caps. For more details and information download the drawing file.

Uploaded by:
Eiz
Luna

