Download Cable Duct and Base Plate Details AutoCAD DWG File Now
Description
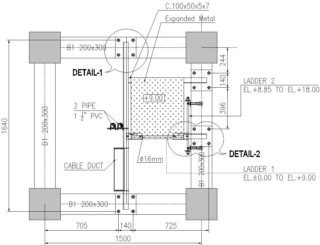
This Architectural Drawing ios AutoCAD 2d drawing of Cable duct and base plate details in AutoCAD, dwg file. The cable duct is a channel system that keeps the electrical cables together. The cable duct enables the transmission of the cables safely. The cable duct is also referred to as wiring duct, electrical cable ducting, cable tray. The general purpose of the cable duct is to provide a clear, protected pathway for a cable. For mored etails and information ndownload the drawing file.

Uploaded by:
Eiz
Luna

