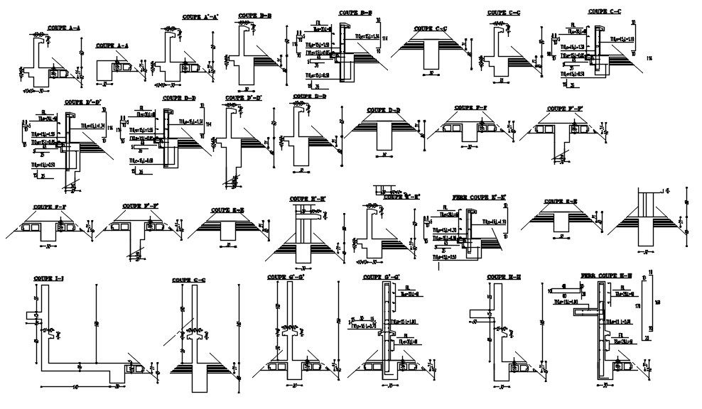
Different cross sections of coping with formwork and reinforcement details in AutoCAD 2D drawing, CAD file, dwg file
Description
This architectural drawing is Different cross sections of coping with formwork and reinforcement details in AutoCAD 2D drawing, CAD file, and dwg file. Coping adds an extra layer of defense against the elements. The coping acts as a protective cover and is typically curved or slanted to assist the wall in shedding water that falls on it. Coping may also be referred to as a wall cap, wall cover, or coping cap. For more details and information download the drawing file. Thank you for visiting our website cadbull.com.
Uploaded by:
viddhi
chajjed

