AutoCAD 2D drawing of Formwork details of the staircase, CAD file, dwg file
Description
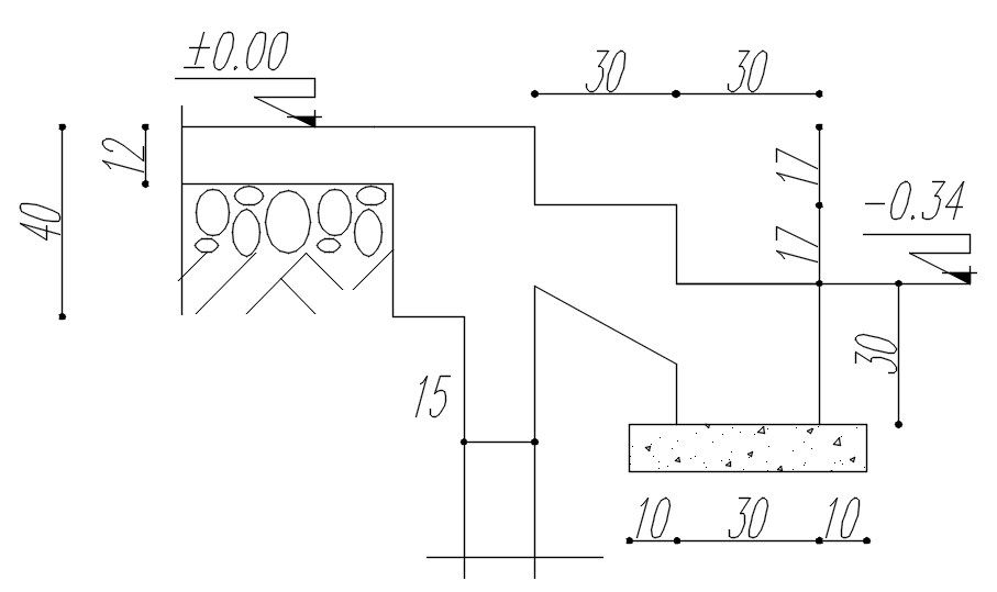
This architectural drawing is an AutoCAD 2D drawing of the Formwork details of the staircase, CAD file, and dwg file. Formwork is typically used to create a temporary mould into which concrete is poured and molded. Formwork is traditionally composed of wood, although it can also be built of fiberglass-reinforced plastics, steel, and other materials. For more details and information download the drawing file. Thank you for visiting our website cadbull.com.
Uploaded by:
viddhi
chajjed

