Overhead Water Tank DWG Drawing with Plan, Elevation and Steel Detail
Description
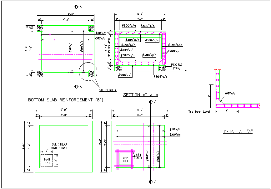
This Overhead Water Tank DWG file provides complete construction details, including plan and elevation views, steel reinforcement, and dimensions of structural elements. The drawing is ideal for architects, engineers, and construction professionals seeking accurate CAD details for efficient implementation of water tanks in residential, commercial, or industrial projects. With precise detailing, it ensures proper planning, safety, and material estimation for overhead tank construction.
File Type:
DWG
File Size:
183 KB
Category::
Structure
Sub Category::
Section Plan CAD Blocks & DWG Drawing Models
type:
Gold

Uploaded by:
Fernando
Zapata

