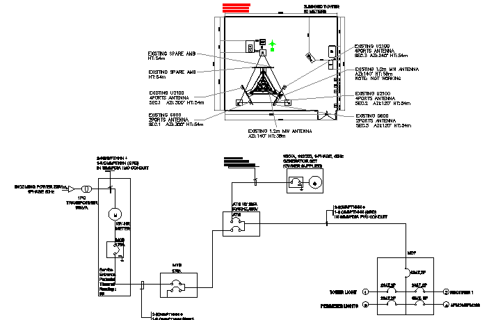
Electric tower cabin and single line diagram details dwg file
Description
Electric tower cabin and single line diagram details dwg file.
Electric tower cabin and single line diagram details that includes a detailed view of existing port panel antenna, existing two ports panel antenna, cable details, cable, genset, fuel tank, measures voltage, power one, vacant, spare, label, exhausted fan, light, incoming power phase, conduct and much more of tower details.
File Type:
DWG
File Size:
1.6 MB
Category::
Electrical
Sub Category::
Architecture Electrical Plans
type:
Gold
Uploaded by:

