LOGIN
HOME
CATEGORIES
UPLOAD FILE
PRICING
HOUSE PLAN
ABOUT US
CONTACT US
Storage tank Design
Home
Categories
Details
Structural Steel Drawings
Storage tank Design
Uploaded by:
Harriet
Burrows
View Profile
View Profile
Description
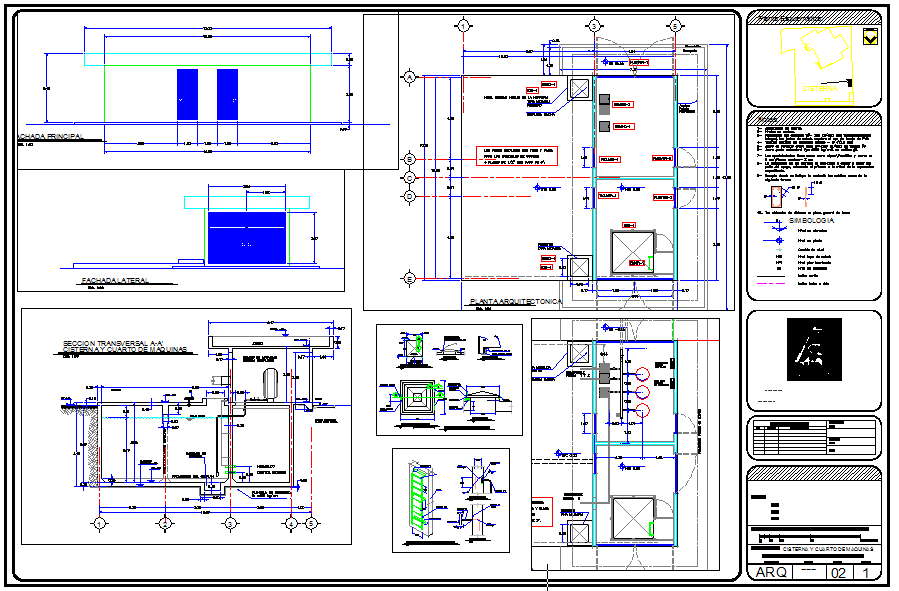
Storage tank Design DWG file, A Storage water tank is a container for storing liquid.Storage tank Design Detail, Storage tank Design Download file.
File Type:
DWG
File Size:
1.6 MB
Category::
Details
Sub Category::
Structural Steel Drawings
type:
Free
Uploaded by:
Harriet
Burrows
View Profile
Download
Add to libary
find Latest
Related
Files