Electric Switch Board CAD Design CAD DWG File Download for Designers

Electric Switch Board CAD Design CAD DWG File Download for Designers
Profile

Uploaded by:

Poonam

Description

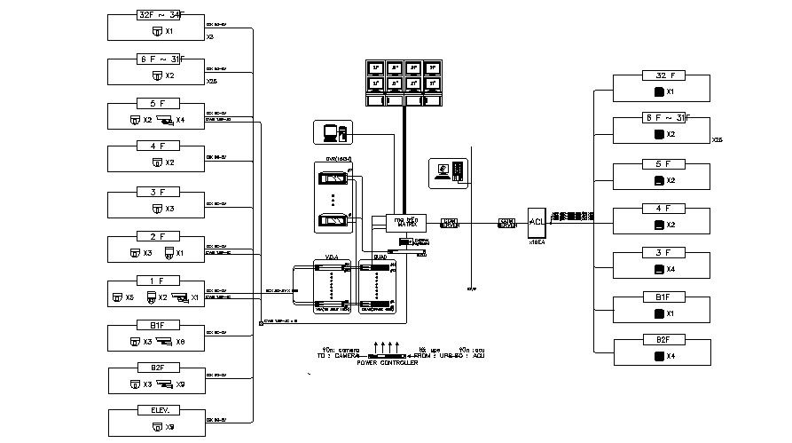
Electrical connection details; shows the power controller to all the buildings. Also given the switch board along with the power station.

Profile

Uploaded by:

Poonam

find Latest

Related Files

WhatsApp Chat