Power System One Line Diagram DWG File
Description
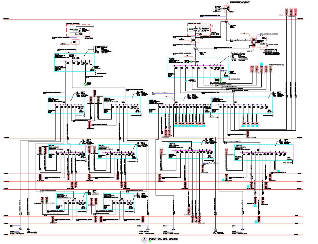
Power System One Line Diagram DWG File; 2d CAD drawing shows the high voltage is required for long-distance transmission and, the low voltage is required for utility purposes. The voltage level is going on decreasing from the transmission system to the distribution system This voltage is too low for transmission over long distances.
Uploaded by:

