Sewer Plumbing With Manhole Cover CAD Drawing DWG File
Description
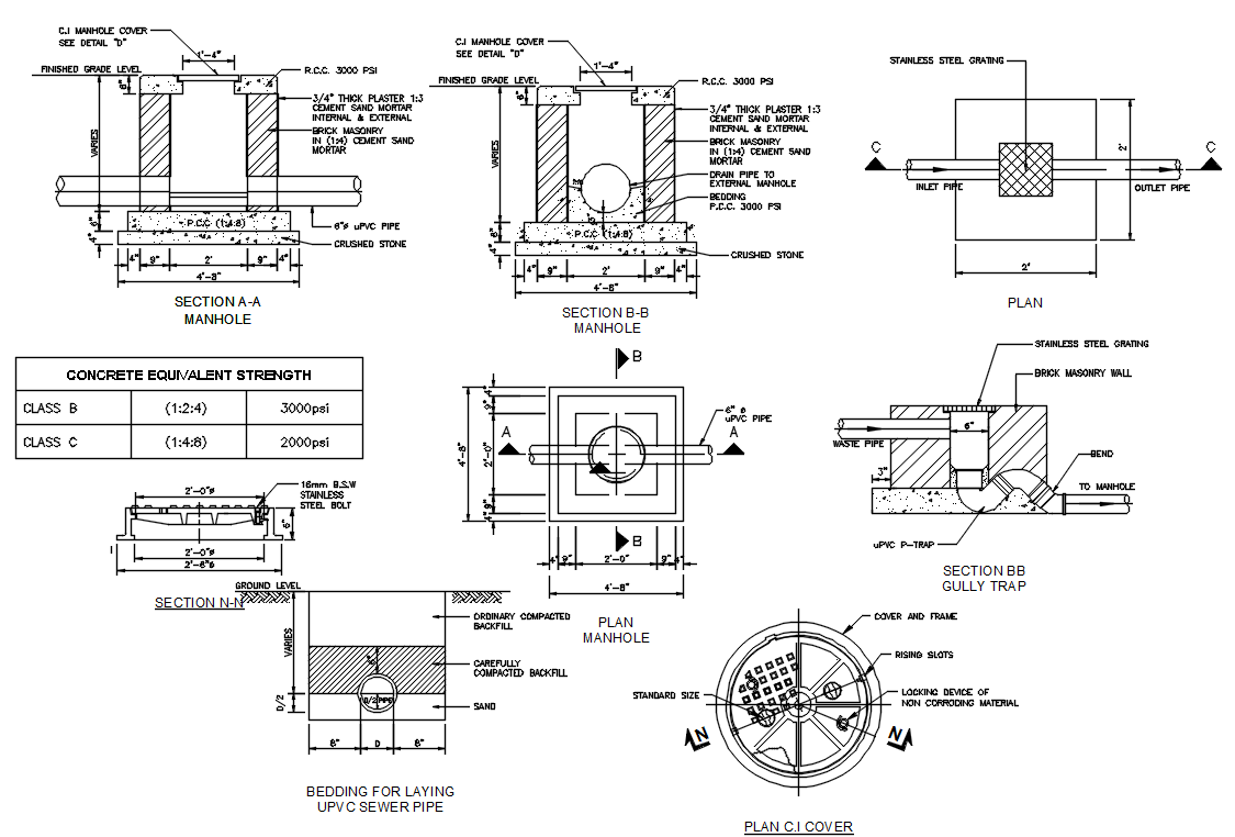
The plumbing section CAD drawing includes sewer pipe bedding for laying, stainless steel grating piping, and manhole section which consist 3/4" thick plaster 1:3 cement sand mortar internal & external brick masonry also has concrete equivalent strength. Thank you for downloading the AutoCAD file and other CAD program files from our website.
File Type:
DWG
File Size:
3 MB
Category::
Dwg Cad Blocks
Sub Category::
Autocad Plumbing Fixture Blocks
type:
Gold
Uploaded by:
