Guard House And Emergency Gate Entrance Plans Download DWG File
Description
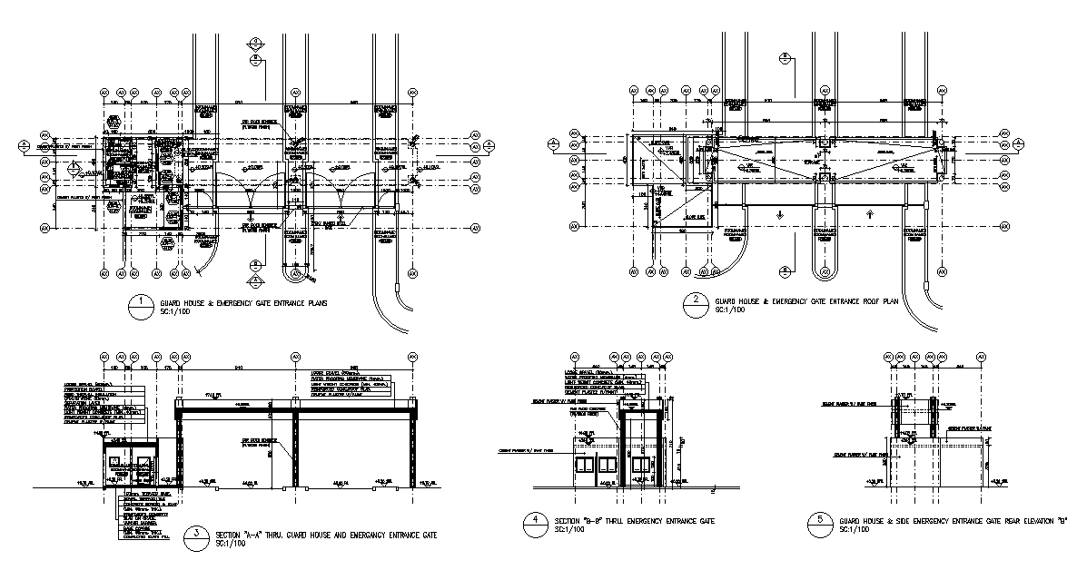
The guard house and emergency gate plan and section drawing protection board, rigid thermal insulation, separation layer, water proofing membrane 4 mm, light weight concrete 40 mm, reinforced concrete, roof slab and cement plaster paint. Thank you for downloading the 2D AutoCAD DWG drawing file and other CAD program files from our website.
Uploaded by:

